各有关单位:
依据《上海市生态环境信用评价管理办法》,结合生态环境监测技术服务机构管理工作实际,我局制定了《上海市生态环境监测技术服务机构(运维类)信用评价指标体系及评分细则(2026年版)》,现予以印发,请遵照执行。
上海市生态环境局
2026年3月27日
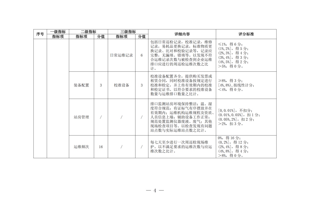
上海市生态环境监测技术服务机构(运维类)信用评价指标体系及评分细则(2026年版)






(上下滑动查看更多)
上海市生态环境监测技术服务机构(运维类)等级对照表

点击阅读原文,查看《上海市生态环境监测技术服务机构(运维类)信用评价指标体系及评分细则(2026年版)》(沪环监测〔2026〕47号)